Je viens de vider complètement une voiture pour un usage piste et me suis donc lancé dans la simplification du faisceau.
Lors de cette opération j'ai totalement supprimer la partie du faisceau en lien avec les portières dans le but de ne recâbler uniquement que la partie liée à l'opération d'ouverture des vitres électriques (fermeture centralisée, autoradio et capteurs inutiles tout doit DISPARAITRE!).
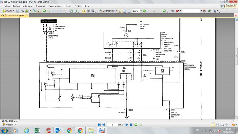
Je me suis donc relancé dans ce travail (en supprimant le lien avec le module de centralisation ainsi que le passage par le relais confort car bizarrement je n'en avait pas d'origine....), voici le schéma que j'ai utilisé pour m'aider :

Sur mon connecteur X9749:
la borne 3 est reliée à une alimentation protégée sans passage par relais de confort comme dit ci-dessus...
la borne 6 est reliée à la masse
=> mon "circuit de puissance est opérationnel, c'est certain vous le constaterez d'ailleurs au fil des explications...
les bornes 4 et 5 sont bien reliées au "switch" de commande S126Y (les fils violet et noir...)
la borne 1 qui mène à une reliure allant vers le relais de confort et le module de centralisation (A30) est isolée...
la borne 2 elle N'EXISTE PAS
Sur mon connecteur X18279 :
J'ai bien gardé toutes les connections qui sont reliés au capteurs S14 et S179 (ces capteurs permettent un passage vers la masse en position ouverte)
=> on constate que la vitre se baisse bien légèrement à l'ouverture et se referme à la fermeture de la porte ce qui confirme que le moteur est bien alimenté et fonctionne....
Mon problème est que lorsque je souhaite actionner mes vitres via le bouton de commande, rien ne se passe!!!
Je précise que la borne de ce bonton X316 ne comporte que 4 fils (les noir et violet qui sont relié au servo moteur), une masse le marron qui est bien relié à la caisse, et le rouge et gris qui ne sert qu'à l'éclairage et qui selon moi n'a pas besoin d'être connecté pour un bon fonctionnement...
Pouvez-vous m'aider?


