[E32 M30 Pr11/90] ne démarre pas

Avatar de l’utilisateur
darkgyver
Administrateur du site
Administrateur du site
Messages : 85874
Inscription : jeu. 15 oct. 2009 01:00

Niveau Technique Automobile : CAP, BEP, Maîtrise de carrosserie et DUT Génie Elec Info Indus
Nombre de véhicules : 5
VIN 1 : WB04303
Véhicule 1 : E83 M57TU Pr06/04 SAV Tr:Manual TrM:GS6X-53DZ
Localisation : 49800 Brain sur l'Authion
Contact :

Message par darkgyver »

Philippe44 a écrit : mar. 14 janv. 2025 14:14 [s]Le démarreur tourne mais quand j'essaie de démarrer, le visco coupleur ne tourne pas.[/s] Comme si le démarreur ne faisait pas tourner le moteur. Est ce possible ?
très..... très bizarre
t'en es certain????
et pas de gros bruit?

t'as l'impression que le démarreur tourne très vite? (dans le vide)
Philippe44
Apprenti
Apprenti
Messages : 58
Inscription : mar. 17 déc. 2024 14:12

Niveau Technique Automobile : Débutant
Nombre de véhicules : 1
VIN 1 : DA17093
Véhicule 1 : E32 M30 Pr11/90 Lim Tr:Automatic TrM:Unknown

Message par Philippe44 »

Le démarreur tourne normalement. Pas de bruit suspect.
Philippe44
Apprenti
Apprenti
Messages : 58
Inscription : mar. 17 déc. 2024 14:12

Niveau Technique Automobile : Débutant
Nombre de véhicules : 1
VIN 1 : DA17093
Véhicule 1 : E32 M30 Pr11/90 Lim Tr:Automatic TrM:Unknown

Message par Philippe44 »

darkgyver a écrit : mar. 14 janv. 2025 16:12 Image
Aurais tu stp une version PDF à m'envoyer par mail si possible ? C'est super illisible là
Avatar de l’utilisateur
darkgyver
Administrateur du site
Administrateur du site
Messages : 85874
Inscription : jeu. 15 oct. 2009 01:00

Niveau Technique Automobile : CAP, BEP, Maîtrise de carrosserie et DUT Génie Elec Info Indus
Nombre de véhicules : 5
VIN 1 : WB04303
Véhicule 1 : E83 M57TU Pr06/04 SAV Tr:Manual TrM:GS6X-53DZ
Localisation : 49800 Brain sur l'Authion
Contact :

Message par darkgyver »

trop gros......
30 MO.....
Philippe44
Apprenti
Apprenti
Messages : 58
Inscription : mar. 17 déc. 2024 14:12

Niveau Technique Automobile : Débutant
Nombre de véhicules : 1
VIN 1 : DA17093
Véhicule 1 : E32 M30 Pr11/90 Lim Tr:Automatic TrM:Unknown

Message par Philippe44 »

OK.
Je n'ai pas d'essence qui arrive à la rampe d'injection ni d'étincelle à la bougie
Avatar de l’utilisateur
darkgyver
Administrateur du site
Administrateur du site
Messages : 85874
Inscription : jeu. 15 oct. 2009 01:00

Niveau Technique Automobile : CAP, BEP, Maîtrise de carrosserie et DUT Génie Elec Info Indus
Nombre de véhicules : 5
VIN 1 : WB04303
Véhicule 1 : E83 M57TU Pr06/04 SAV Tr:Manual TrM:GS6X-53DZ
Localisation : 49800 Brain sur l'Authion
Contact :

Message par darkgyver »

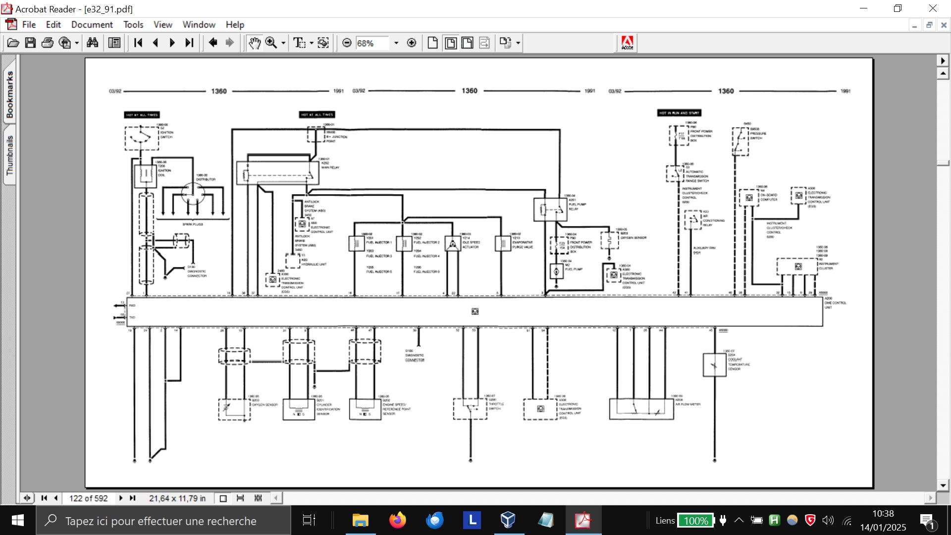
le relais DME se trouve dans le boitier Droit


celui que l'on voit tout bas à gauche de cette image

Image


prends en une photo! :photo1:
@++
Avatar de l’utilisateur
darkgyver
Administrateur du site
Administrateur du site
Messages : 85874
Inscription : jeu. 15 oct. 2009 01:00

Niveau Technique Automobile : CAP, BEP, Maîtrise de carrosserie et DUT Génie Elec Info Indus
Nombre de véhicules : 5
VIN 1 : WB04303
Véhicule 1 : E83 M57TU Pr06/04 SAV Tr:Manual TrM:GS6X-53DZ
Localisation : 49800 Brain sur l'Authion
Contact :

Message par darkgyver »

Philippe44 a écrit : mar. 14 janv. 2025 16:35 OK.
Je n'ai pas d'essence qui arrive à la rampe d'injection ni d'étincelle à la bougie
peut être que le relais DME n’alimente pas la DME
Avatar de l’utilisateur
darkgyver
Administrateur du site
Administrateur du site
Messages : 85874
Inscription : jeu. 15 oct. 2009 01:00

Niveau Technique Automobile : CAP, BEP, Maîtrise de carrosserie et DUT Génie Elec Info Indus
Nombre de véhicules : 5
VIN 1 : WB04303
Véhicule 1 : E83 M57TU Pr06/04 SAV Tr:Manual TrM:GS6X-53DZ
Localisation : 49800 Brain sur l'Authion
Contact :

Message par darkgyver »

tu mets le contact
puis tu mesures la tension en arrivée sur la bobine allumage

comment sais tu que la damper ne tourne pas?
Philippe44
Apprenti
Apprenti
Messages : 58
Inscription : mar. 17 déc. 2024 14:12

Niveau Technique Automobile : Débutant
Nombre de véhicules : 1
VIN 1 : DA17093
Véhicule 1 : E32 M30 Pr11/90 Lim Tr:Automatic TrM:Unknown

Message par Philippe44 »

Je ne sais pas si la damper tourne. Comment puis-je le vérifier ?
Pour la tension à la bobine je mesurerai dès que je le pourrais et si on peut me dire comment le faire.
Mon niveau en mécanique et en électricité est de l'ordre du néant. Je suis juste quelqu'un qui arrive à bricoler si on lui explique un peu les choses et il me faut souvent beaucoup de temps pour comprendre ce que je fais.
Avatar de l’utilisateur
darkgyver
Administrateur du site
Administrateur du site
Messages : 85874
Inscription : jeu. 15 oct. 2009 01:00

Niveau Technique Automobile : CAP, BEP, Maîtrise de carrosserie et DUT Génie Elec Info Indus
Nombre de véhicules : 5
VIN 1 : WB04303
Véhicule 1 : E83 M57TU Pr06/04 SAV Tr:Manual TrM:GS6X-53DZ
Localisation : 49800 Brain sur l'Authion
Contact :

Message par darkgyver »

Philippe44 a écrit : mar. 14 janv. 2025 17:15 Je ne sais pas si la damper tourne.
tu me rassures!!!! :mdr:
Avatar de l’utilisateur
darkgyver
Administrateur du site
Administrateur du site
Messages : 85874
Inscription : jeu. 15 oct. 2009 01:00

Niveau Technique Automobile : CAP, BEP, Maîtrise de carrosserie et DUT Génie Elec Info Indus
Nombre de véhicules : 5
VIN 1 : WB04303
Véhicule 1 : E83 M57TU Pr06/04 SAV Tr:Manual TrM:GS6X-53DZ
Localisation : 49800 Brain sur l'Authion
Contact :

Message par darkgyver »

Philippe44 a écrit : mar. 14 janv. 2025 14:14 Le démarreur tourne mais quand j'essaie de démarrer, le visco coupleur ne tourne pas. Comme si le démarreur ne faisait pas tourner le moteur. Est ce possible ?
t'as encore une courroie alternateur?
Philippe44
Apprenti
Apprenti
Messages : 58
Inscription : mar. 17 déc. 2024 14:12

Niveau Technique Automobile : Débutant
Nombre de véhicules : 1
VIN 1 : DA17093
Véhicule 1 : E32 M30 Pr11/90 Lim Tr:Automatic TrM:Unknown

Message par Philippe44 »

Demain je fais rapatrier le véhicule plus près de chez moi car là il est à 35km de la maison.
Après il me sera plus facile de faire les choses.
La bobine d'allumage où je dois vérifier la tension c'est celle avec la flèche rouge sur ta photo ?
Avatar de l’utilisateur
gyropinpon
Modérateur
Modérateur
Messages : 23441
Inscription : ven. 22 janv. 2010 01:00

Niveau Technique Automobile : passionné averti
Nombre de véhicules : 5
VIN 1 : BS01508
Véhicule 1 : E39 M51 Pr02/96 saloon Tr:Manual
Localisation : Nîmes

Message par gyropinpon »

Philippe44 a écrit : mar. 14 janv. 2025 17:52 Demain je fais rapatrier le véhicule plus près de chez moi car là il est à 35km de la maison.
Après il me sera plus facile de faire les choses.
La bobine d'allumage où je dois vérifier la tension c'est celle avec la flèche rouge sur ta photo ?
:coucou:

Sur ta bobine, tu as une borne + et une - qui sont marquées . Quel qu’en soit la forme de la bobine de ces générations

Tu mets le contact

Tu mets ton multimètre sur 20V, le fil rouge sur le + le noir sur le -, si elle est alimentée, tu dois trouver 12V

Image

ou tu tiens le fil de bougie et tu demandes à qqu un de démarrer

Image

Si t'as pris le jus, c'est qu'elle est alimentée en basse tension


Non, je déconne surtout ne le fais pas :rougi: :rougi:
Philippe44
Apprenti
Apprenti
Messages : 58
Inscription : mar. 17 déc. 2024 14:12

Niveau Technique Automobile : Débutant
Nombre de véhicules : 1
VIN 1 : DA17093
Véhicule 1 : E32 M30 Pr11/90 Lim Tr:Automatic TrM:Unknown

Message par Philippe44 »

OK. Merci gyropinpon je le ferais demain. Bonne soirée
Avatar de l’utilisateur
darkgyver
Administrateur du site
Administrateur du site
Messages : 85874
Inscription : jeu. 15 oct. 2009 01:00

Niveau Technique Automobile : CAP, BEP, Maîtrise de carrosserie et DUT Génie Elec Info Indus
Nombre de véhicules : 5
VIN 1 : WB04303
Véhicule 1 : E83 M57TU Pr06/04 SAV Tr:Manual TrM:GS6X-53DZ
Localisation : 49800 Brain sur l'Authion
Contact :

Message par darkgyver »

gyropinpon a écrit : mar. 14 janv. 2025 18:43
Philippe44 a écrit : mar. 14 janv. 2025 17:52 Demain je fais rapatrier le véhicule plus près de chez moi car là il est à 35km de la maison.
Après il me sera plus facile de faire les choses.
La bobine d'allumage où je dois vérifier la tension c'est celle avec la flèche rouge sur ta photo ?
:coucou:

Sur ta bobine, tu as une borne + et une - qui sont marquées . Quel qu’en soit la forme de la bobine de ces générations

Tu mets le contact

Tu mets ton multimètre sur 20V, le fil rouge sur le + le noir sur le -, si elle est alimentée, tu dois trouver 12V


Image

ou tu tiens le fil de bougie et tu demandes à qqu un de démarrer

Image

Si t'as pris le jus, c'est qu'elle est alimentée en basse tension


Non, je déconne surtout ne le fais pas :rougi: :rougi:

:oui: :+:

mais danger si l'on est cardiaque!
Philippe44
Apprenti
Apprenti
Messages : 58
Inscription : mar. 17 déc. 2024 14:12

Niveau Technique Automobile : Débutant
Nombre de véhicules : 1
VIN 1 : DA17093
Véhicule 1 : E32 M30 Pr11/90 Lim Tr:Automatic TrM:Unknown

Message par Philippe44 »

Image
Ce matin j'ai regardé aux bornes de la bobine en photo.
Multimètre sur 20v et contact. OV
Philippe44
Apprenti
Apprenti
Messages : 58
Inscription : mar. 17 déc. 2024 14:12

Niveau Technique Automobile : Débutant
Nombre de véhicules : 1
VIN 1 : DA17093
Véhicule 1 : E32 M30 Pr11/90 Lim Tr:Automatic TrM:Unknown

Message par Philippe44 »

La damper tourne car quand je mets un coup de démarreur, le visco coupleur tourne
Philippe44
Apprenti
Apprenti
Messages : 58
Inscription : mar. 17 déc. 2024 14:12

Niveau Technique Automobile : Débutant
Nombre de véhicules : 1
VIN 1 : DA17093
Véhicule 1 : E32 M30 Pr11/90 Lim Tr:Automatic TrM:Unknown

Message par Philippe44 »

Image
Le DME, c'est le petit boîtier à côté du LKM ?
Avatar de l’utilisateur
gyropinpon
Modérateur
Modérateur
Messages : 23441
Inscription : ven. 22 janv. 2010 01:00

Niveau Technique Automobile : passionné averti
Nombre de véhicules : 5
VIN 1 : BS01508
Véhicule 1 : E39 M51 Pr02/96 saloon Tr:Manual
Localisation : Nîmes

Message par gyropinpon »

RE,

Oui, il faut trouver son relais

1/Regarder si tu as du jus sur la borne 30
2/ Si tu as du jus sur la 86 ( avec le contact)

tu peux aussi contrôler la résistance de la bobine de ton relais, elle doit être entre 50 et environs 200ohms .
Philippe44
Apprenti
Apprenti
Messages : 58
Inscription : mar. 17 déc. 2024 14:12

Niveau Technique Automobile : Débutant
Nombre de véhicules : 1
VIN 1 : DA17093
Véhicule 1 : E32 M30 Pr11/90 Lim Tr:Automatic TrM:Unknown

Message par Philippe44 »

:main:
OK. Comme je le disais à darkgyver, je suis au niveau néant en électricité. J'arrive juste à comprendre après beaucoup de réflexion quand on m'explique.
Ce serait lequel le relais à tester ?
Et surtout, comment on fait ?
Merci beaucoup de votre aide car un novice comme moi ne pourrais rien faire sans vous :prie: :prie: :prie:
Répondre

Revenir à « Electricité »