[E39 M57 Pr12/00] Moteur cale en descente sauf en position neutre (attente)
- Loffense
- Modérateur

- Messages : 11821
- Inscription : jeu. 8 sept. 2016 21:46
- Niveau Technique Automobile : Bon
- Nombre de véhicules : 5
- VIN 1 : BU90246
- Véhicule 1 : E39 M62 Pr07/98 saloon Tr:Automatic TrM:A5S-560Z
- VIN 2 : CP14584
- Véhicule 2 : E60 M57N2 Pr09/05 Lim Tr:Automatic TrM:6HP26Z
- VIN 3 : VE90290
- Véhicule 3 : E88 N43 Pr01/08 Cab Tr:Manual TrM:Unknown
- VIN 4 : 2L98271
- Véhicule 4 : F55 B38C Pr09/19 SH Tr:Sequential TrM:Unknown
- Localisation : Sierre (VS)
t'as déjà vérifié la prise du capteur de pression de rampe?
BMW un jour, BMW toujours! Cela n empêche pas l achat de sucrette… Bentley, Aston…
-
LionelRobic
- Apprenti

- Messages : 126
- Inscription : sam. 6 mars 2021 12:04
- Niveau Technique Automobile : Pas de tel ici
- Nombre de véhicules : 1
- VIN 1 : GY03487
- Véhicule 1 : E39 M57 Pr12/00 saloon Tr:Automatic TrM:A5S-390R
Bonjour Loffense
Je mets la copie du message que j'ai posté sur la rubrique diag:
"""J'ai pu aller chercher la prise du capteur de pression. Première constatation en mettant les mains pour aller la chercher, j'ai des traces d'huile... Quand j'ai débranché la prise, il y avait un peu d'huile dessus. J'ai donc essuyé, mis un peu de wd40 et rebranché.
Petite précision, lorsque j'ai fait un essai ce matin, la voiture ne calait plus lorsque je montais au dessus des 2000 tm (véhicule à l'arrêt).
Après vérification de la prise, je suis allé roulé. Premier essai à plus de 2000tm, en légère descente, la voiture cale. Je redémarre sans problèmes, je fais une dizaine de kilomètre en tapant dedans (4000tm), et rien, ça roule comme si de rien n'était, et pourtant j'ai fait des variations importantes, grosse accélération, puis freinage, puis regrosse accélération...
J'emprunte une descente où elle me fait le coup de caler à chaque fois, et là, pas d'exception à la règle, le frein moteur me fait caler la voiture.
J'adore ce genre de pannes......""""
Des idées ? Ce matin pas de nouveaux symptômes et elle a tourné normalement.
Je mets la copie du message que j'ai posté sur la rubrique diag:
"""J'ai pu aller chercher la prise du capteur de pression. Première constatation en mettant les mains pour aller la chercher, j'ai des traces d'huile... Quand j'ai débranché la prise, il y avait un peu d'huile dessus. J'ai donc essuyé, mis un peu de wd40 et rebranché.
Petite précision, lorsque j'ai fait un essai ce matin, la voiture ne calait plus lorsque je montais au dessus des 2000 tm (véhicule à l'arrêt).
Après vérification de la prise, je suis allé roulé. Premier essai à plus de 2000tm, en légère descente, la voiture cale. Je redémarre sans problèmes, je fais une dizaine de kilomètre en tapant dedans (4000tm), et rien, ça roule comme si de rien n'était, et pourtant j'ai fait des variations importantes, grosse accélération, puis freinage, puis regrosse accélération...
J'emprunte une descente où elle me fait le coup de caler à chaque fois, et là, pas d'exception à la règle, le frein moteur me fait caler la voiture.
J'adore ce genre de pannes......""""
Des idées ? Ce matin pas de nouveaux symptômes et elle a tourné normalement.
- darkgyver
- Administrateur du site

- Messages : 85875
- Inscription : jeu. 15 oct. 2009 01:00
- Niveau Technique Automobile : CAP, BEP, Maîtrise de carrosserie et DUT Génie Elec Info Indus
- Nombre de véhicules : 5
- VIN 1 : WB04303
- Véhicule 1 : E83 M57TU Pr06/04 SAV Tr:Manual TrM:GS6X-53DZ
- Localisation : 49800 Brain sur l'Authion
- Contact :
Re;
as tu déjà essayé de faire le plein (vraiment plein!! pas 10 ou 20 litres!) pour voir si tu avais les mêmes symptômes?
@++
as tu déjà essayé de faire le plein (vraiment plein!! pas 10 ou 20 litres!) pour voir si tu avais les mêmes symptômes?
@++
-
LionelRobic
- Apprenti

- Messages : 126
- Inscription : sam. 6 mars 2021 12:04
- Niveau Technique Automobile : Pas de tel ici
- Nombre de véhicules : 1
- VIN 1 : GY03487
- Véhicule 1 : E39 M57 Pr12/00 saloon Tr:Automatic TrM:A5S-390R
Bonjour Darkgyverdarkgyver a écrit :Re;
as tu déjà essayé de faire le plein (vraiment plein!! pas 10 ou 20 litres!) pour voir si tu avais les mêmes symptômes?
@++
Quand le réservoir est plein, il m'arrive d'avoir le problème en descente uniquement. Cela dit, depuis que j'ai eu les gros soucis en début de semaine, je n'ai pas refait le plein, seulement un apport jusqu'à un peu moins de 30 litres.
Hier nouvel essai sur route, une quarantaine de kilomètres, le problème est apparu une seule fois sur le retour. Par contre, depuis le passage à la valise et l'effacement des défauts, j'ai eu l'impression qu'elle avait plus de pêche.
- smeldeplomb
- Modérateur

- Messages : 14063
- Inscription : lun. 23 nov. 2009 01:00
- Niveau Technique Automobile : NOUVELLE VALISE DIAG DISPO CHEZ ATADARK
- Nombre de véhicules : 1
- VIN 1 : GX61732
- Véhicule 1 : E39 M57 Pr05/02 saloon Tr:Automatic TrM:A5S-390R
- Localisation : roissy en france
je t ai repondu en section diag
tu as un defaut de clapets a ne pas negliger
tu as un defaut de clapets a ne pas negliger
- darkgyver
- Administrateur du site

- Messages : 85875
- Inscription : jeu. 15 oct. 2009 01:00
- Niveau Technique Automobile : CAP, BEP, Maîtrise de carrosserie et DUT Génie Elec Info Indus
- Nombre de véhicules : 5
- VIN 1 : WB04303
- Véhicule 1 : E83 M57TU Pr06/04 SAV Tr:Manual TrM:GS6X-53DZ
- Localisation : 49800 Brain sur l'Authion
- Contact :
Quoi de neuf docteur ???
A titre perso, je penche plus pour un prob de la pré-pompe ou de la pompe de transvasement
les deux ne laissent pas de code erreur direct et peuvent provoquer ces symptômes!
(En général accompagnés de durée de démarrage augmentée!)
@+ DarkGyver
A titre perso, je penche plus pour un prob de la pré-pompe ou de la pompe de transvasement
les deux ne laissent pas de code erreur direct et peuvent provoquer ces symptômes!
(En général accompagnés de durée de démarrage augmentée!)
@+ DarkGyver
- darkgyver
- Administrateur du site

- Messages : 85875
- Inscription : jeu. 15 oct. 2009 01:00
- Niveau Technique Automobile : CAP, BEP, Maîtrise de carrosserie et DUT Génie Elec Info Indus
- Nombre de véhicules : 5
- VIN 1 : WB04303
- Véhicule 1 : E83 M57TU Pr06/04 SAV Tr:Manual TrM:GS6X-53DZ
- Localisation : 49800 Brain sur l'Authion
- Contact :
Non;LionelRobic a écrit :Bonjour les spécialistes
Vu les symptômes et réponses à mon problème, j'envisage un changement de pompe de gavage.
Question: y a t il un modèle/une marque plus fiable que les autres? Il en existe tellement que le choix s'avère compliqué.
Merci par avance.
nous ne connaissons pas de marque particulière!
en fait l'usine BMW change régulièrement de fournisseurs!
mais la règle est de ne pas prendre une marque inconnue souvent fabriquée en chine et premier prix et pour laquelle le cahier des charges (imposé par BMW) n'est pas forcément respecté....
@++
-
LionelRobic
- Apprenti

- Messages : 126
- Inscription : sam. 6 mars 2021 12:04
- Niveau Technique Automobile : Pas de tel ici
- Nombre de véhicules : 1
- VIN 1 : GY03487
- Véhicule 1 : E39 M57 Pr12/00 saloon Tr:Automatic TrM:A5S-390R
Merci Darkgyverdarkgyver a écrit :Quoi de neuf docteur ???![]()
A titre perso, je penche plus pour un prob de la pré-pompe ou de la pompe de transvasement
les deux ne laissent pas de code erreur direct et peuvent provoquer ces symptômes!
(En général accompagnés de durée de démarrage augmentée!)
@+ DarkGyver
Depuis que j'ai regardé et nettoyé la prise du capteur de pression de suralimentation, qui était pleine d'huile (je dois regarder d'où provient cette fuite), je n'ai plus eu de problème, mais je n'ai pas refait de longs trajets, et j'arrive à peine au 15 litres niveau réservoir. Je vais voir en passant sous la barre des 15 litres si le problème réapparaît, ce qui tendrait donc à confirmer le défaut sur la pompe de gavage. Qu'entends tu par pré pompe et pompe de transvasement?
Au niveau du démarrage, je n'ai pas constaté de changement, pas plus long que d'habitude.
Bonne journée
- darkgyver
- Administrateur du site

- Messages : 85875
- Inscription : jeu. 15 oct. 2009 01:00
- Niveau Technique Automobile : CAP, BEP, Maîtrise de carrosserie et DUT Génie Elec Info Indus
- Nombre de véhicules : 5
- VIN 1 : WB04303
- Véhicule 1 : E83 M57TU Pr06/04 SAV Tr:Manual TrM:GS6X-53DZ
- Localisation : 49800 Brain sur l'Authion
- Contact :
Re;
Cette crasse/huile me parait être une piste peu probable, mais.....
attendons quelques jours, et sinon, tu sais quoi faire!
@++
Cette crasse/huile me parait être une piste peu probable, mais.....
attendons quelques jours, et sinon, tu sais quoi faire!
@++
-
LionelRobic
- Apprenti

- Messages : 126
- Inscription : sam. 6 mars 2021 12:04
- Niveau Technique Automobile : Pas de tel ici
- Nombre de véhicules : 1
- VIN 1 : GY03487
- Véhicule 1 : E39 M57 Pr12/00 saloon Tr:Automatic TrM:A5S-390R
Merci à toi,darkgyver a écrit :Re;
Cette crasse/huile me parait être une piste peu probable, mais.....
attendons quelques jours, et sinon, tu sais quoi faire!
@++
Maintenant que j'ai des pistes sérieuses grâce au forum, j'espère me sortir de cette panne que je classerai dans la catégorie casse c......s
- darkgyver
- Administrateur du site

- Messages : 85875
- Inscription : jeu. 15 oct. 2009 01:00
- Niveau Technique Automobile : CAP, BEP, Maîtrise de carrosserie et DUT Génie Elec Info Indus
- Nombre de véhicules : 5
- VIN 1 : WB04303
- Véhicule 1 : E83 M57TU Pr06/04 SAV Tr:Manual TrM:GS6X-53DZ
- Localisation : 49800 Brain sur l'Authion
- Contact :
Les pannes aléatoires sont souvent les plus difficiles à résorber! 
@++
@++
- darkgyver
- Administrateur du site

- Messages : 85875
- Inscription : jeu. 15 oct. 2009 01:00
- Niveau Technique Automobile : CAP, BEP, Maîtrise de carrosserie et DUT Génie Elec Info Indus
- Nombre de véhicules : 5
- VIN 1 : WB04303
- Véhicule 1 : E83 M57TU Pr06/04 SAV Tr:Manual TrM:GS6X-53DZ
- Localisation : 49800 Brain sur l'Authion
- Contact :
Quoi de neuf docteur ???
as tu remplacé cette pré-pompe de réservoir!
en cas de toute, c'est par cela qu'il faut commencer en cas de coupure moteur!
voir ensuite si cette erreur est encore d'actualité!
@++
@+ DarkGyver
as tu remplacé cette pré-pompe de réservoir!
en cas de toute, c'est par cela qu'il faut commencer en cas de coupure moteur!
voir ensuite si cette erreur est encore d'actualité!
@++
@+ DarkGyver
-
LionelRobic
- Apprenti

- Messages : 126
- Inscription : sam. 6 mars 2021 12:04
- Niveau Technique Automobile : Pas de tel ici
- Nombre de véhicules : 1
- VIN 1 : GY03487
- Véhicule 1 : E39 M57 Pr12/00 saloon Tr:Automatic TrM:A5S-390R
Je n'ai pas encore remplacé la pompedarkgyver a écrit :Quoi de neuf docteur ???![]()
as tu remplacé cette pré-pompe de réservoir!
en cas de toute, c'est par cela qu'il faut commencer en cas de coupure moteur!
voir ensuite si cette erreur est encore d'actualité!
@++
@+ DarkGyver
Donc la prochaine étape sera le changement de ma pompe. A ce sujet, ce que tu appelles la pré pompe, c'est bien la pompe de gavage?
- darkgyver
- Administrateur du site

- Messages : 85875
- Inscription : jeu. 15 oct. 2009 01:00
- Niveau Technique Automobile : CAP, BEP, Maîtrise de carrosserie et DUT Génie Elec Info Indus
- Nombre de véhicules : 5
- VIN 1 : WB04303
- Véhicule 1 : E83 M57TU Pr06/04 SAV Tr:Manual TrM:GS6X-53DZ
- Localisation : 49800 Brain sur l'Authion
- Contact :
RE;
oui!
c'est elle!
https://www.realoem.com/bmw/fr/showpart ... Id=16_0209
tu peux la prendre ailleurs que chez BMW, mais de marque connue!
évite les made in caca!
@+
oui!
c'est elle!
https://www.realoem.com/bmw/fr/showpart ... Id=16_0209
tu peux la prendre ailleurs que chez BMW, mais de marque connue!
évite les made in caca!
@+
-
LionelRobic
- Apprenti

- Messages : 126
- Inscription : sam. 6 mars 2021 12:04
- Niveau Technique Automobile : Pas de tel ici
- Nombre de véhicules : 1
- VIN 1 : GY03487
- Véhicule 1 : E39 M57 Pr12/00 saloon Tr:Automatic TrM:A5S-390R
Bonjour à tous,
J'ai enfin commandé et reçu ma pompe de gavage, je vais donc procéder à son changement.
Il m'avait semblé trouver un tuto pour le changement de cette pompe, mais je n'arrive pas à le retrouver.
Auriez-vous le lien de ce tuto svp?
Merci, et bon dimanche ç tous ;-)
J'ai enfin commandé et reçu ma pompe de gavage, je vais donc procéder à son changement.
Il m'avait semblé trouver un tuto pour le changement de cette pompe, mais je n'arrive pas à le retrouver.
Auriez-vous le lien de ce tuto svp?
Merci, et bon dimanche ç tous ;-)
-
Vabii
- Apprenti

- Messages : 117
- Inscription : lun. 3 mai 2021 11:21
- Niveau Technique Automobile : Amateur avec des connaissances
- Nombre de véhicules : 1
- VIN 1 : BS36278
- Véhicule 1 : E39 M51 Pr07/97 saloon Tr:Manual TrM:S5D-260Z
- Localisation : 66
Salut,
Pour accéder à la pompe de gavage, il te faut retirer l'assise de la banquette arrière, maintenue par 2 crochets sur les côtes droits et gauche, sur le devant. Tu tire un coups sec et elle se déverrouille. Tu la sors du véhicule.
ATTENTION AUX PRISES DE CEINTURES
Ensuite, côté droit, tu as une trappe maintenue par des vis.
ATTENTION AU JOINT DE LA TRAPPE
Madame la pompe sera juste en dessous.
A plus !
Pour accéder à la pompe de gavage, il te faut retirer l'assise de la banquette arrière, maintenue par 2 crochets sur les côtes droits et gauche, sur le devant. Tu tire un coups sec et elle se déverrouille. Tu la sors du véhicule.
ATTENTION AUX PRISES DE CEINTURES
Ensuite, côté droit, tu as une trappe maintenue par des vis.
ATTENTION AU JOINT DE LA TRAPPE
Madame la pompe sera juste en dessous.
A plus !
BMW 525Tds e39 1997
NISSAN 350Z z33 2004
NISSAN 350Z z33 2004
- darkgyver
- Administrateur du site

- Messages : 85875
- Inscription : jeu. 15 oct. 2009 01:00
- Niveau Technique Automobile : CAP, BEP, Maîtrise de carrosserie et DUT Génie Elec Info Indus
- Nombre de véhicules : 5
- VIN 1 : WB04303
- Véhicule 1 : E83 M57TU Pr06/04 SAV Tr:Manual TrM:GS6X-53DZ
- Localisation : 49800 Brain sur l'Authion
- Contact :
Vabii a écrit :Salut,
Pour accéder à la pompe de gavage, il te faut retirer l'assise de la banquette arrière, maintenue par 2 crochets sur les côtes droits et gauche, sur le devant. Tu tire un coups sec et elle se déverrouille. Tu la sors du véhicule.
ATTENTION AUX PRISES DE CEINTURES
Ensuite, côté droit, tu as une trappe maintenue par des vis.
ATTENTION AU JOINT DE LA TRAPPE
Madame la pompe sera juste en dessous.
A plus !
sinon, tu peux t'inspirer de:
https://www.darkgyver.fr/reparation-BMW ... e-e36.html
le travail est "très proche"!
@++
-
LionelRobic
- Apprenti

- Messages : 126
- Inscription : sam. 6 mars 2021 12:04
- Niveau Technique Automobile : Pas de tel ici
- Nombre de véhicules : 1
- VIN 1 : GY03487
- Véhicule 1 : E39 M57 Pr12/00 saloon Tr:Automatic TrM:A5S-390R
Merci à tous les deux. Alors, j'ai bien réussi à démonter et sortir le bloc pompe, mais impossible de retirer la pompe de sa cage (et pas envie de forcer comme un bourrin pour tout péter...) De plus, la durite qui arrive sur la pompe est récalcitrante, je n'arrive pas à l'enlever...
Donc, en attendant, j'ai tout remonté et redémarré après avoir laissé la pompe purger le circuit.
Merci si vous avez des tuyaux pour défaire cette satané pompe de son logement.
De plus, j'ai remarqué une minuscule durite qui vient se connecter sur le couvercle de pompe (voir photo, issue d'un autre forum), là où il y a les points d'interrogation. Qu'est ce que c'est?

Le logement de la pompe est somme sur la photo suivante:

Bonne fin de journée à vous.
Lionel (Apprenti mécano débutant...)
Donc, en attendant, j'ai tout remonté et redémarré après avoir laissé la pompe purger le circuit.
Merci si vous avez des tuyaux pour défaire cette satané pompe de son logement.
De plus, j'ai remarqué une minuscule durite qui vient se connecter sur le couvercle de pompe (voir photo, issue d'un autre forum), là où il y a les points d'interrogation. Qu'est ce que c'est?

Le logement de la pompe est somme sur la photo suivante:

Bonne fin de journée à vous.
Lionel (Apprenti mécano débutant...)
- darkgyver
- Administrateur du site

- Messages : 85875
- Inscription : jeu. 15 oct. 2009 01:00
- Niveau Technique Automobile : CAP, BEP, Maîtrise de carrosserie et DUT Génie Elec Info Indus
- Nombre de véhicules : 5
- VIN 1 : WB04303
- Véhicule 1 : E83 M57TU Pr06/04 SAV Tr:Manual TrM:GS6X-53DZ
- Localisation : 49800 Brain sur l'Authion
- Contact :
RE;
En fait, la pompe est juste "emboitée" dans le support
avec ces photos tu verras un peu comment....





si , les conduites sont vraiment en mauvais état, alors faut les remplacer! pas "évident" car elles n'existent pas seules par BMW
https://www.realoem.com/bmw/fr/showpart ... Id=16_0209
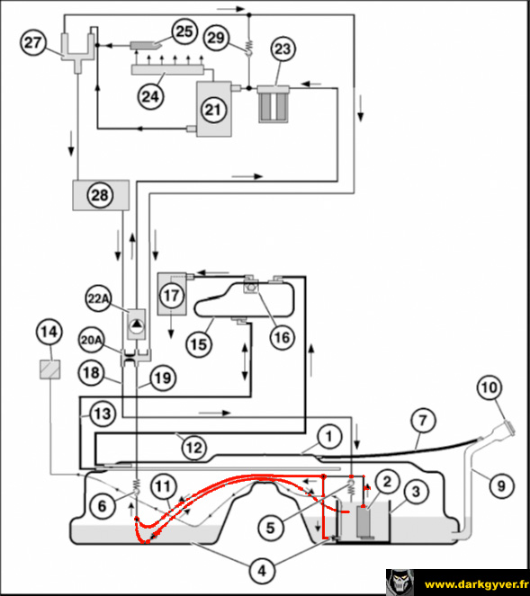
la petite durite sert juste à l'équilibrage des deux demi réservoirs , et/ou vers le filtre de dégazage
https://www.realoem.com/bmw/fr/showpart ... Id=16_0195
sans importance dans ton cas!
le schéma de principe pour ta voiture:

@++
En fait, la pompe est juste "emboitée" dans le support
avec ces photos tu verras un peu comment....
si , les conduites sont vraiment en mauvais état, alors faut les remplacer! pas "évident" car elles n'existent pas seules par BMW
https://www.realoem.com/bmw/fr/showpart ... Id=16_0209
la petite durite sert juste à l'équilibrage des deux demi réservoirs , et/ou vers le filtre de dégazage
https://www.realoem.com/bmw/fr/showpart ... Id=16_0195
sans importance dans ton cas!
le schéma de principe pour ta voiture:

@++
-
LionelRobic
- Apprenti

- Messages : 126
- Inscription : sam. 6 mars 2021 12:04
- Niveau Technique Automobile : Pas de tel ici
- Nombre de véhicules : 1
- VIN 1 : GY03487
- Véhicule 1 : E39 M57 Pr12/00 saloon Tr:Automatic TrM:A5S-390R
Merci Darkgyver pour tes précisions.
Cependant, je ne vois pas comment sortir cette satanée pompe du socle noir, trois "crochets" tiennent la pompe au niveau de la gorge présente sur le corps, et je n'ose pas forcer, pas envie de casser le corps en plastique noir.
J'ai bien réussi à enlever l'ensemble pompe flotteur, et à le remettre sans problème. D'ailleurs, je suis à moins de 15l dans le réservoir, et ce soir, 50kms parcourus, avec un point noir où le moteur cale systématiquement, et là rien...
Bonne soirée à toi.
Cependant, je ne vois pas comment sortir cette satanée pompe du socle noir, trois "crochets" tiennent la pompe au niveau de la gorge présente sur le corps, et je n'ose pas forcer, pas envie de casser le corps en plastique noir.
J'ai bien réussi à enlever l'ensemble pompe flotteur, et à le remettre sans problème. D'ailleurs, je suis à moins de 15l dans le réservoir, et ce soir, 50kms parcourus, avec un point noir où le moteur cale systématiquement, et là rien...
Bonne soirée à toi.